Advanced Signal Routing with the PXI/PXIe-2593 and SCXI-1193 RF Switches

Overview

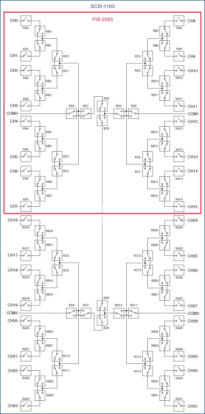
The PXI/PXIe-2593 and SCXI-1193 (collectively xx93) 50 Ohm switch modules are designed to carry high frequency signals in excess of 500 MHz. They can be configured into various sizes of multiplexer or sparse matrix while maintaining RF signal integrity and without the need for additional external cabling.

This document describes how to use the xx93 in custom configurations:

  • Unterminated 3x1, 17x1, and 35x1
  • Terminated 4x1, 8x1, and 16x1
  • Dimensionally Flexible Sparse Matrix

Contents

 

Table 1. Configuration Possibilities of the PXI-2593 and SCXI-1193 Switch Modules

 

Standard Topologies

The xx93 switches can be configured either in the Measurement & Automation Explorer (MAX) or programmatically using the niSwitch Initialize with Topology function in NI-Switch 2.0 or later. There are predefined topologies for the xx93 as 8x1, 16x1, and 32x1 unterminated multiplexers. The RF performance for these topologies is provided in the specifications for each module. Specification sheets for all NI switch products are installed with the NI-Switch driver, or they are available online from ni.com.


Figure 1. 8x1 Unterminated Multiplexer Implemented in the PXI/PXIe-2593

 

Custom Configurations

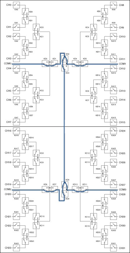
The xx93 switches have many more configuration possibilities than the standard unterminated multiplexers. The innovative topology of the xx93 has internal signal paths that allow any pair of terminals (Channel or Common) to be connected while maintaining RF performance. Custom configurations are obtained by using the Independent topology. This topology, just like the standard topologies, is selectable in MAX or available programmatically using niSwitch Initialize with Topology function. In the Independent topology, switch modules may be controlled using Connect/Disconnect functions or using niSwitch Relay Control with NI-SWITCH 2.0 or later. NI Switch Executive also can implement these configurations with Connect/Disconnect functions. The following sections describe how to select channels and control the xx93 in various custom configurations.



Figure 2. "Open" Position for Each Relay in the Independent Topology

 

Connect/Disconnect function calls take two “channels” as input parameters. These channels can be external terminals (COM0, CH15, etc.) or internal routes between relays (A0B0, B0B1C0, etc.). Internal channel names for the xx93 are derived from the names of the relays they connect. Combine the names of all the relays connected by the channel, in alphabetical order and remove the “K”s. For example, the channel connecting KA0 and KB0 is A0B0.

The niSwitch Relay Control function uses “Open” and “Close” commands to actuate each relay in the module. Figure 2 shows the initial state of the relays in the Independent topology. These are considered the “Open” positions for each relay.

 

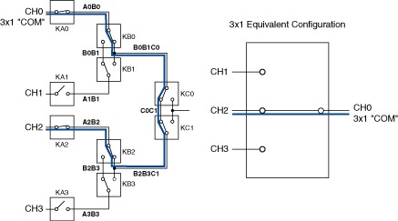
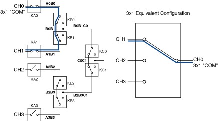
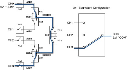
 3x1 Unterminated Multiplexers

Each group of four channels (0:3, 4:7, 8:11, etc.) can be configured as independent, unterminated 3x1 multiplexers. Choose one channel as the “common”, and route it to the other three channels.

For example, choosing CH0 as a 3x1 common, route CH1, CH2, and CH3 to it with the following command options:

*Switch unused relays away from the signal path to improve high frequency
performance. See Reducing Stub Effects section for more information.

Table 2. Example NI-SWITCH Routing Options for 3x1 Configuration

 



Figure 3a. CH0->CH1 Route




Figure 3b. CH0->CH2 Route




Figure 3c. CH0->CH3 Route

 

 
You can configure the PXI/PXIe-2593 as a quad 3x1 multiplexer topology using its 16 available channels and leaving the COMs unused. The SCXI-1193 has 32 channels that can be divided up into eight 3x1 multiplexers and the four COMs can route together creating a ninth 3x1 multiplexer as shown below. Routing function options are shown in Table 3.


Figure 4. You can use the four COM terminals of an SCXI-1193 as a 3x1 Multiplexer

 

 

 17x1 and 35x1 Unterminated Multiplexers

In the 16x1 unterminated multiplexer topology, channels 0:15 route to COM0. Similarly, channels 16:31 route to COM2. The other two COM terminals (COM1 and COM3) are not used. In the 32x1 topology, all channels route to COM0. The other three COM terminals are not used. With the Independent topology, these COM terminals can be used as extra channels, producing 17x1 and 35x1 unterminated multiplexers.

 
*Switch unused relays away from the signal path to improve high frequency
performance. See Reducing Stub Effects section for more information.

Table 3. NI-SWITCH Routing Options for Connecting COM Terminals in 3x1, 17x1, and 35x1 Configurations

 

 Terminated Multiplexers

It is sometimes impossible to disable a signal source when it is not connected to a load through the switch. If the switch is unterminated, the signal reflects off of the open relay, back into the source. This doubles the voltage on the transmission line, increasing crosstalk, and potentially damaging some sources. While the xx93 switches do not have integrated terminators, they can be configured such that half of the channels are terminated with external loads, such as NI P/N: 761930-01. The following diagram shows an 8x1 unterminated bank configured as a 4x1 terminated multiplexer.


Figure 5. 8x1 Unterminated Bank Used as a Terminated 4x1 Multiplexer



Note: Even as a terminated multiplexer, the xx93 switches use “Break-Before-Make” relays. During relay actuation, a channel will be unterminated for short periods of time. Do not switch active sources if they will be damaged by the transient reflections of these actuating channels.

In the 4x1 terminated multiplexer shown above, many of the relays can be pre-switched, minimizing the number of commands necessary to connect or terminate channels.

 
*Switch unused relays away from the signal path to improve high frequency
performance. See Reducing Stub Effects section for more information.

Table 4. Example Routing Options for 4x1 Terminated Configuration

 

 Dimensionally Flexible Sparse Matrix

A traditional switch matrix allows connections between row terminals and column terminals. Modern matrices, such as NI switch matrices, allow connections between any input, including row-to-column, row-to-row, and column-to-column connections. A full matrix topology has relays at every row-column crosspoint. While this topology is flexible and allows as many simultaneous routes as the smaller row or column dimension, it is expensive to provide relays for every crosspoint. Additionally, full matrices are not ideal for carrying high frequency signals because the unused portion of the connected traces adds capacitive load and RF stubs to the transmission lines. This results in reflections that can distort and attenuate the signal.


Figure 6. 4x8 Full Matrix

 


An alternative to a full matrix is a sparse matrix. This topology allows only a limited number of simultaneous row-to-column connections – often only one connection at a time. Sparse matrices are generally made from two multiplexers with their COM terminals tied together. They use fewer relays and are less expensive than full matrices. As shown in the following diagram, a typical sparse matrix can make a single, stub-free connection:


Figure 7. Simple 4x8 Sparse Matrix

 


The flexible topology of the PXI/PXIe-2593 and SCXI-1193 allows any pair of terminals to be internally connected, while maintaining RF performance. Therefore, a single xx93 module can be conceptually treated as a sparse matrix of any dimension. Examples of this Dimensionally Flexible Sparse Matrix capability are shown below.

 


Figure 8. Any Sparse Matrix With Up to 18 Terminals Can Be Implemented in the PXI/PXIe-2593

 

 


Figure 9. Any Sparse Matrix With Up to 36 Terminals Can Be Implemented in the SCXI-1193



Determining Simultaneous Connections with the Routing Resources Diagram

An advantage of the Dimensionally Flexible Sparse Matrix configuration over traditional sparse matrices is the ability to make multiple simultaneous connections. The routing resources diagram abstracts the relays and paths in the switch to a form that is useful for determining possible simultaneous routes. In the diagram, traces are represented as rooms, and relays are walls. A signal can pass from room to room via the relay walls. Only one signal can exist in a room at any one time, so once a room resource is taken, it may not be used by another route. Additionally, there are impassable walls indicated. Front-panel terminals are located around the outside diagram.

 


Figure 10. PXI/PXIe-2593 Routing Resources Diagram





Figure 11. SCXI-1193 Routing Resources Diagram



It is possible to make multiple simultaneous connections within a Dimensionally Flexible Sparse Matrix. Carefully selecting terminal assignments in a particular application can efficiently make use of this capability.

The following example shows the routing resources used in a PXI/PXIe-2593 conceptually treated as a 4x14 sparse matrix. Four possible simultaneous connections are shown.

Example:


Figure 12. Simultaneous Routes Example -- One Route

 

 


Figure 13. Simultaneous Routes Example -- Two Routes

 

 


Figure 14. Simultaneous Routes Example -- Three Routes

 

 


Figure 15. Simultaneous Routes Example -- Four Routes

 

Low Frequency Signal Distribution

It is sometimes necessary to distribute a source to several points simultaneously, like power busses, or excitation signals. The xx93 modules allow any or all terminals to be connected together. Since every additional channel added to the path splits the transmission line, this is not appropriate for high frequency signals that require consistent impedance.

As an example, a power source can be connected to COM0 and simultaneously routed to CH0, CH2, CH3, CH12, and CH13. The following diagram shows the connection path.



Figure 16. Signal Distribution Example

 

Reducing Stub Effects

There are often two possible paths between any pair of terminals; however there is only one optimal path for RF performance. When routing high frequency signals, choose the path that minimizes stubs. The following diagrams show the two possible routes from CH0->CH1, along with the performance impact of an RF stub in the sub-optimal route.



Figure 17a. CH0->CH1 Optimal Route with No RF Stub





Figure 17b. CH0->CH1 Sub-Optimal Route with RF Stub

 

 


Figure 17c. Step Response with RF Stubs

 


When routing signals in the Independent topology, it is important to switch all tributary relays away from the signal path to reduce capacitive loading and stub-effects. For example, when connecting CH0->CH2, KB1 should be opened. While it is not directly involved in the connection, it can load down the transmission line, if closed, by hanging A1B1 off the path (shown in the following figure). This produces reflections that increase VSWR and insertion loss.

 


Figure 18a. Optimal CH0->CH2 Route



Figure 18b. Sub-Optimal CH0->CH2 Route: Closing KB1 Creates an RF Stub


When routing between "Channel" terminals and not connecting to a COM, be sure to switch the COM relays (KD0, KD5, KD6, and KD11) away from the signal path, or they will add a significant stub.



Configuration Channels and RF Stubs

To simplify programming, define all internal channels (A0B0, B0B1C0, etc.) as Reserved for Routing Channels in MAX. NI-SWITCH 2.0 will use these channels to find routes inside the module. For example, using the single connection call: CH0->CH1 will find one of the two possible routes described above. To prevent NI-SWITCH from finding the sub-optimal path, disable B0B1C0 as a configuration channel before making the connection. NI-SWITCH will return the optimal, and only remaining, route through B0B1. Be sure to re-enable B0B1C0 before trying to make a connection requiring it, such as CH0->CH2. This technique, while tedious, may be more efficient than explicitly connecting each internal channel.

 

Differential Signal Routing

The xx93 switches may be used for differential signal routing (using two banks in tandem), or in situations where minimized phase skew between channels is important. Each bank of 8x1 channels is phase matched with typical propagation times within 100 ps of each other. Cables add delay to signal propagation through the system. Be sure all of the cables are the same length. Mismatched cables may introduce significant skew between channels defeating the switch’s inherent phase matching.

 


Figure 19. Propagation Delay Between Differential Channels: <100 ps

 

Was this information helpful?

Yes

No