Setting the External Calibration Due Date
- Updated2023-03-14
- 1 minute(s) read
Setting the External Calibration Due Date
You can define the date when external calibration is due for any TestScale module that supports external calibration.
Setting the External Calibration Due Date in NI Measurement & Automation Explorer (MAX)

- Set the Calibration Due Date to a new date value.
- Click Save. A dialog box with a password prompt appears.
- Enter the password and proceed. The new date is saved and reflected in the Calibration Due Date field.
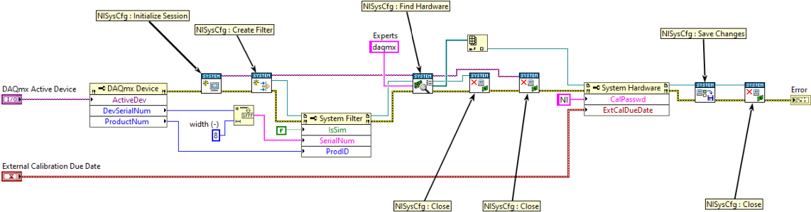
Setting the External Calibration Due Date with LabVIEW
You can also set the Calibration Due Date from LabVIEW with the NISysCfg API. Refer to the following image for an example.

Default Values and Behaviors Associated with the External Calibration Due Date
- By default, the Calibration Due Date field is empty.
- An error occurs in the following cases:
- Saving a date value for a date that has already ocurred.
- Saving a date value for a date approximately 68 years (or more) later than the Calibration Date field.