효율적인 데이터 이동 및 처리량을 위한 PXI Express 섀시 선택

개요

​테스트 시스템이 복잡해지고 데이터 처리량 요구사항이 증가함에 따라 시스템 아키텍트는 시스템의 모든 부분이 신뢰할 수 있는 고속 데이터 이동을 지속할 수 있도록 보장해야 하는 과제에 직면합니다.

 

​이 백서는 PXI Express (PXIe) 아키텍처의 개요를 제공하며, PXI 섀시 설계와 대역폭 스펙이 전체 시스템 성능에 어떻게 영향을 미치는지 설명하고, 병목 현상을 방지하기 위해 대역폭을 기반으로 섀시를 선택하는 실용적인 지침을 제시합니다. 이러한 원리를 이해함으로써 엔지니어는 확장성 있는 성능을 제공하고 데이터 무결성을 유지하며 미래 어플리케이션의 성장을 지원하는 자동화 테스트 시스템을 설계할 수 있습니다.

내용

배경: 고속, 저지연 통신의 필요성

​테스트 및 측정 시스템을 구축할 때 핵심적으로 고려해야 할 요소는 데이터가 시스템 내에서 얼마나 빠르고 안정적으로 이동할 수 있는지입니다. 잘못된 계획으로 인해 측정 실패, 테스트 처리 처리량 저하 또는 프로젝트 후반에서 예상치 못한 비용이 많이 드는 재설계로 이어질 수 있습니다.

​PXI 시스템은 PCI Express (PCIe) 기술을 사용하여 데이터 이동을 섀시 백플레인에 통합함으로써 고속, 저지연 통신을 실현한다는 점에서 차별화됩니다. 이러한 특징으로 인해 PXI는 그림 1과 같이 LAN, USB 또는 GPIB로 연결된 독립형 인스트루먼트와 비교해 복잡하고 데이터 집약적인 어플리케이션에 특히 적합합니다. 

​그림 1: 주류 T&M 버스의 이론적 대역폭 대 지연 시간

 

대역폭 고려사항

​시스템 설계자에게 섀시 대역폭은 전반적인 성능과 확장성에 영향을 미치는 결정적 요구사항입니다. PXI Express 시스템에서 대부분의 데이터는 섀시를 통해 이동하므로, 현재 요구사항을 충족하면서도 미래 성장을 수용할 여지를 제공하는 섀시를 선택하는 것은 시스템 설계에서 가장 영향력 있는 결정 중 하나입니다.

​모든 PXI Express 섀시는 PCI Express 인터페이스를 사용하여 각 슬롯의 시스템 컨트롤러와 PXI 모듈 간에 데이터를 전송합니다. 이 인터페이스는 세대와 레인 폭이라는 두 가지 핵심 스펙에 따라 각 모듈로로 또는 모듈에서 데이터가 이동할 수 있는 속도를 결정합니다.  

​이 인터페이스가 시스템 대역폭을 어떻게 정의하는지 이해하려면 그림 2에 설명된 다음과 같은 주요 개념을 숙지하는 것이 중요합니다.

  • 슬롯 당 대역폭―개별 모듈과 PXI 섀시 백플레인 간의 최대 데이터 전송 속도로서, 해당 슬롯의 PCI Express 세대 및 레인 폭에 따라 결정됩니다.
  • ​PXIe 세그먼트―데이터 트래픽을 분배하고 섀시 및 컨트롤러 전반에 걸친 대역폭 병목 현상을 방지하는 전용 PCI Express 스위치가 관리하는 PXI 슬롯 그룹입니다.
  • ​최대 시스템 대역폭―모든 모듈 또는 세그먼트와 시스템 컨트롤러 간에 데이터를 동시에 전송할 수 있는 섀시 백플레인의 총 데이터 처리량 용량입니다.
  • ​링크 속도―시스템 내 두 요소 간 PCI Express 인터페이스 연결의 데이터 전송률로, 데이터 이동 속도를 정의합니다.

 

​그림 2: PXI Express 백플레인 아키텍처: 슬롯당, 세그먼트, 시스템 대역폭

​PXI 섀시 대역폭이 성능에 미치는 영향을 완전히 이해하려면 다음 섹션에서 모듈부터 컨트롤러까지의 데이터 경로를 따라가며 각 단계와 백플레인이 고속 통신을 가능하게 하는 방식을 설명하겠습니다. 이를 통해 대역폭이 중요한 이유와 전체 시스템 효율성에 미치는 영향을 확인할 수 있습니다.

슬롯당 대역폭

슬롯당 대역폭은 단일 모듈이 PCI Express 연결을 통해 전송할 수 있는 데이터 양을 의미합니다. 섀시 설계에 따라 슬롯당 대역폭은 표 1과 같이 양방향 각각 250 MB/s에서 최대 8 GB/s까지 가능합니다. 

 

표 1: 세대 및 레인 폭에 따른 NI PXIe 섀시의 최대 슬롯당 대역폭

참고: 표에 제시된 값은 이론적인 PCI Express 최대 슬롯당 대역폭을 나타냅니다. 실제로 Gen 1 및 Gen 2는 인코딩 오버헤드로 인해 일반적으로 레인당 약 200 MB/s에 가까운 속도를 유지하며, Gen 3은 정격 한계에 훨씬 근접하게 작동합니다.

그러나 대부분의 테스트 시스템은 여러 모듈이 동시에 데이터를 스트리밍해야 합니다. 이 경우 전체 처리량은 더 이상 개별 슬롯 성능에 의해서만 제한되지 않으며, 섀시 백플레인의 총괄 대역폭에도 좌우됩니다.

다양한 인스트루먼트 유형의 일반적인 데이터 전송률을 이해하면 총괄 대역폭이 중요한 이유를 설명하는 데 도움이 됩니다. 모듈들이 함께 작동할 때 그들의 결합된 데이터 흐름은 백플레인의 용량에 빠르게 접근하거나 초과할 수 있습니다. 표 2는 일반적인 인스트루먼트 데이터 전송률에 대한 참고 자료를 제공합니다.

 

표 2: 모듈당 대역폭 렌즈

오래되고 하이브리드 호환 가능한 PXI 모듈은 PCI Express가 아닌 기존 병렬 PCI 버스에서 작동한다는 점을 유의해야 합니다. 이 버스의 이론적 한계는 132 MB/s이지만, 실제 지속 처리량은 사용하는 섀시에 관계없이 일반적으로 약 100–110 MB/s에 가깝습니다. PCI는 공유 버스이므로 동일한 PXI 세그먼트에 있는 모든 모듈이 해당 대역폭을 공유합니다. 

일반적으로 슬롯 수가 많은 일부 PXI Express 섀시는 PCI Express 백플레인을 두 개 이상의 세그먼트로 분할하며, 각 세그먼트는 자체 PCI Express 스위치에 의해 관리됩니다. 그림 3과 같이, 이 다중 세그먼트 아키텍처는 PCI Express 레인을 별도의 스위치에 분배하여 전체 데이터 처리량을 향상시킵니다.

그림 3: PXI Express 백플레인 아키텍처: 슬롯당, 집계 및 세그먼트 간 대역폭

NI 피어-투-피어 (NI-P2P) 드라이버는 시스템 컨트롤러 슬롯으로의 대역폭 소모와 같은 세그먼트 외부 시스템 자원을 소모하지 않으면서, 단일 세그먼트 내 지원 디바이스 간에 고속 데이터 경로를 생성할 수 있습니다. 자세한 내용은 다음 피어-투-피어 섹션을 참조하십시오.

더 많은 인스트루먼트가 병렬로 작동할 때 고속 스트리밍과 확장 가능한 성능을 유지하는 시스템을 설계하려면, 이러한 세그먼트가 대역폭을 공유 및 할당하는 방식을 이해하는 것이 필수적입니다.

시스템 대역폭

​슬롯당 대역폭 외에도 PXI Express 섀시의 또 다른 주요 스펙은 최대 시스템 대역폭입니다. 이 스펙은 섀시에서 시스템 컨트롤러로 연결된 모든 PCI Express 레인의 총합과 이 레인들이 함께 데이터를 이동할 수 있는 최대 속도를 의미합니다. 

​이 정보를 확인하는 방법은 다음과 같습니다.

  • ​필요한 시스템 대역폭은 알지만 어떤 PXI 섀시 모델이 가장 적합한지 모르는 경우, PXI 섀시 카테고리 페이지를 방문하여 최대 시스템 대역폭으로 필터링하십시오. 필터링된 결과의 예는 그림 4에 제시되어 있습니다. 

최대 시스템 대역폭 기준으로 필터링된 PXI Express 섀시 포트폴리오

​그림 4: 최대 시스템 대역폭 기준으로 필터링된 PXI Express 섀시 포트폴리오

  • ​NI PXI Express 섀시 모델을 알고 있지만 최대 시스템 대역폭을 어디에서 찾을지 확실하지 않은 경우, 주요 제품 페이지를 참조하십시오. 그림 5는 예를 보여줍니다. 

NI PXIe-1088 제품 페이지

​그림 5: NI PXIe-1088 제품 페이지

​비교를 위해 전체 PXI 섀시 포트폴리오를 보려면, PXI 섀시 브로셔를 검토하는 것이 좋습니다.

컨트롤러 대역폭 영향

​섀시 내 인스트루먼트와 백플레인을 통해 데이터가 이동할 때 시스템 컨트롤러 슬롯이 잠재적인 병목 지점이 될 수 있습니다. 이는 최대 시스템 대역폭이 호스트 PC (호스트 메모리가 위치하고 시스템의 어플리케이션 소프트웨어가 실행되는 곳)로 입출력될 수 있는 데이터 양의 상한선을 정하기 때문입니다. 따라서 섀시는 각 개별 I/O 모듈과 백플레인을 통해 스트리밍될 데이터 양에 적합해야 할 뿐만 아니라, 모든 인스트루먼트가 최대 사용 상태에서 시스템 컨트롤러 슬롯 (일반적으로 PXI Express 컨트롤러, 또는 MXI Express를 사용하는 원격 컨트롤러)을 통해 주고받아야 하는 총 데이터 양에도 적합해야 합니다.

​그림 6과 같이, 시스템 컨트롤러 자체도 어플리케이션 코드가 실행되는 호스트 메모리와 데이터를 주고받는 데 핵심 요소입니다. 따라서 PXI Express 컨트롤러를 선택할 때도 PXI Express 섀시 선택과 유사한 기준을 적용하는 것이 좋습니다. 신중한 계획을 통해 필요한 모든 곳에서 충분한 대역폭을 확보할 수 있습니다. 어플리케이션에 적합한 컨트롤러 선택 방법은 PXI 시스템 성능 극대화: 올바른 PXI 임베디드 컨트롤러 선택 방법을참조하십시오. 

​그림 6: PXIe 백플레인 아키텍처: 시스템 컨트롤러와 PXIe 섀시 세그먼트 간의 데이터 흐름

백플레인 아키텍처 및 대역폭 계획

각기 다른 PXI Express 섀시는 슬롯 수, 슬롯-대-섀시 PCI Express 연결 속도, 세그먼트-대-슬롯 연결 구성, 세그먼트 간 연결 속도, 그리고 시스템 컨트롤러 슬롯과 서로 다른 섀시 세그먼트 간의 속도 차이 및 비대칭성이 다릅니다. 시스템의 각 구간에 얼마나 많은 대역폭이 필요한지 이해하는 시간을 가지고, 프로토콜 오버헤드를 쉽게 극복하고 시스템 수명 주기 동안 변화하는 조건에 적응하기 용이하도록 충분한 추가 마진을 제공하는 섀시를 선택하십시오. 필요한 것으로 알고 있는 대역폭보다 2~3배 많은 용량을 계획할 것을 권장합니다.

​특정 섀시 백플레인에 대한 상세 정보를 확인하려면:

  1. ​해당 제품의 주요 제품 페이지를 방문합니다.
  2. ​문서 > 일반 및 사용법 > 사용자 매뉴얼로 이동합니다. 
  3. ​사용자 매뉴얼에서 목차를 열고 백플레인 개요 > 하이브리드 주변 슬롯을 참조합니다.

 

PXIe-1088 PCI Express 백플레인 다이어그램 예제

​그림 7: PXIe-1088 PCI Express 백플레인 다이어그램 예제 예제

​그림 7의 다이어그램은 슬롯 4, 6, 8이 모두 시스템 컨트롤러 슬롯에 대한 개별적인 x4 링크를 가지며, 슬롯 2, 3, 5, 7, 9는 각각 PCI Express 스위치에 대한 x1 링크를 가지며 시스템 컨트롤러에 대한 x4 링크를 공유하는 것을 보여줍니다. 또한 PCI를 활용하는 하이브리드 모듈의 경우, 슬롯 2–5는 PCIe-to-PCI 브리지 #1을 통해 PCI Express 스위치에 대한 링크를 공유하고, 슬롯 6–9는 PCIe-to-PCI 브리지 #2를 통해 PCI Express 스위치에 대한 링크를 공유합니다.

데이터 이동 병목 현상을 방지하는 기법

​모든 데이터를 시스템 컨트롤러를 통해 전송하는 것이 실현 가능하지 않거나 바람직하지 않다면, 시스템의 데이터 이동 부담을 줄일 수 있는 대안적인 방법들이 있습니다. 각 기법마다 다양한 장단점이 있지만, 고데이터레이트 어플리케이션을 다룰 때 고려해야 할 중요한 도구입니다. 몇 가지 기법을 살펴보겠습니다.

PXI Express 세그먼트 간 부하 분산

​시스템이 단일 버스가 편하게 처리할 수 있는 양보다 더 많은 대역폭을 필요로 할 때, 고대역폭 I/O 디바이스를 세그먼트 간에 분리하여 데이터 이동 수요가 세그먼트들 사이에 균형을 이루도록 고려하십시오. 

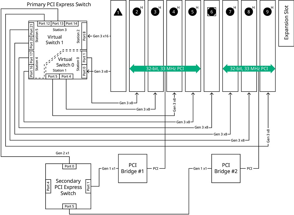
​세그먼트를 고려한 설계의 첫 단계는 섀시 사용자 매뉴얼에서 세그먼트 구성과 각 세그먼트에서 컨트롤러로 할당된 대역폭을 확인하는 것입니다. 예를 들어, NI PXIe-1092 매뉴얼의 백플레인 개요 섹션에는 그림 8과 같은 다이어그램이 제공되어, 주변 슬롯 (슬롯 2–9)부터 시스템 컨트롤러 슬롯 (슬롯 1)까지의 링크 세대 및 레인 수를 보여줍니다.

PXIe-1092 PCI Express 백플레인 다이어그램 

​그림 8: PXIe-1092 PCI Express 백플레인 다이어그램

​그림 8은 각 슬롯이 스위치에 Gen 3 x8로 연결되어 있으며, 시스템 컨트롤러가 첫 번째 세그먼트(슬롯 2–4를 포함하는 가상 스위치 0)에 Gen 3 x8로, 두 번째 세그먼트(슬롯 5–9를 포함하는 가상 스위치 1)에 Gen 3 x16으로 연결됨을 보여줍니다. 다음은 여러 PXI Express 섀시 매뉴얼의 관련 스펙을 요약한 것입니다.

 

​표 3: NI PXIe 섀시의 데이터 이동 비교

인스트루먼트 온보드 데이터 처리

​많은 NI 인스트루먼트는 NI FlexRIO와 같은 구성 가능한 온보드 로직뿐만 아니라 PCI Express 버스를 통해 데이터를 이동하기 전에 FFT 또는 기타 형태의 지능형 데이터 처리를 수행할 수 있는 재구성 가능 디바이스를 포함합니다. 이러한 전처리를 통해 섀시와 컨트롤러가 필요로 하는 대역폭을 크게 줄일 수 있습니다.

피어-투-피어 스트리밍

​많은 고속 NI 인스트루먼트는 NI-P2P라는 API를 통해 호스트 메모리를 경유하거나 PXI Express 버스 세그먼트를 벗어나지 않으면서도 인스트루먼트 간 직접 데이터 스트리밍을 지원합니다. NI-P2P는 대량의 데이터를 실시간으로 처리해야 하고 데이터가 여러 인스트루먼트에서 오는 경우, 또는 I/O 인스트루먼트 자체에 충분한 온보드 처리 능력이 없지만 PXIe-7903 또는 PXIe-7915와 같은 NI PXI Express 코프로세서가 있는 경우 매우 유용합니다. NI-P2P가 시스템에 적합한 솔루션일 때는 데이터를 서로 공유해야 하는 인스트루먼트들을 동일한 섀시의 동일 세그먼트에 유지하는 것이 도움이 되며, 이는 인접 버스 세그먼트의 부담을 줄이고 PCI Express 스위치의 오버헤드를 낮춥니다. 자세한 내용은 피어-투-피어 스트리밍 소개를 참조하십시오.

호스트 메모리에 대한 DMA FIFO

​호스트 메모리에 대한 직접 메모리 액세스 (DMA)를 지원하는 디바이스의 경우, DMA는 호스트 프로세서가 모든 메모리 I/O를 실시간으로 관리하는 부담을 피하는 데 매우 효과적인 방법입니다. 일반적으로 호스트는 메모리의 모든 쓰기 및 읽기 작업을 직접 관리하지만, DMA를 사용하면 호스트는 할당된 메모리 영역과 스트리밍해야 하는 디바이스 간 직접 링크를 설정할 수 있어, 호스트의 부담은 지속적인 메모리 관리 작업이 아닌 일회성 구성 단계에 가깝습니다. 이 전략은 데이터 이동 오버헤드의 상당 부분에서 어플리케이션 소프트웨어 실행을 분리함으로써 성능을 획기적으로 향상시킬 수 있습니다.

어플리케이션 및 제품 선택 예제

이 섹션에서는 각 제품 선택의 근거와 함께 몇 가지 테스트 시스템 예시를 살펴보겠습니다. 

혼합 신호 및 DAQ 선택 예시

​예제 테스트 시스템을 통해 I/O 선택을 시작하고, 이를 바탕으로 섀시를 선택한 후, 선택한 섀시 내 I/O 디바이스의 슬롯을 선정하는 과정을 알아보겠습니다.

​먼저, 예시 시스템의 I/O 디바이스와 해당 디바이스의 이론적 데이터 처리량 요구사항을 나열해 보겠습니다. 

​모듈의 최대 데이터 전송률은 다음 공식으로 구할 수 있습니다. 

모듈의 최대 데이터 전송률 공식

​예시를 위해 표 4에서 임의의 채널 수와 전송률을 선택하겠습니다.

 

​표 4: 혼합 신호 및 DAQ PXI 모듈

​속도와 채널 수는 어플리케이션에서 시스템 설계자의 선택에 기반하지만, 데이터 폭과 온보드 버퍼 크기 (다음 단계에서 설명하겠습니다)는 모듈 및/또는 드라이버의 스펙입니다. 

​예를 들어, PXIe-5423 스펙에는 DAC 해상도가 16비트임이 명시되어 있습니다.

PXIe-5423 아날로그 출력 스펙

​그림 9: PXIe-5423 아날로그 출력 스펙

​참고: 기본적으로 PXIe-6396과 같은 DAQ 모듈은 지연 시간 및 오버헤드 성능을 위해 샘플을 최대 16비트 또는 32비트로 패딩합니다. 따라서 PXIe-6396이 18비트 해상도의 샘플을 갖고 있더라도, 온보드 압축을 활성화하지 않는 한 버스에서는 32비트를 사용하며, 이는 샘플 지연 시간에 영향을 미칠 수 있습니다.

​또 다른 예로, PXIe-5172 스펙에는 온보드 메모리 (샘플 버퍼로 사용)가 8채널 버전 기준 1.5 GB임이 명시되어 있습니다.

PXIe-5172 내장 메모리 스펙

​그림 10: PXIe-5172 내장 메모리 스펙

​이 I/O 디바이스 중 일부는 최대 4 GB/s 이상의 대규모 데이터 처리량을 발생시킬 수 있으므로, 데이터 전송률이 섀시 선택 시 중요한 제약 조건으로 작용할 수 있습니다. 따라서 적합한 섀시를 결정하기 전에 보다 깊이 분석해야 합니다. 시스템 재설계 없이 버스 오버헤드 및 향후 업그레이드를 수용하기 위해 시스템 요구 최대 처리량보다 2~3배 높은 대역폭을 확보하는 것이 바람직합니다.

​이 어플리케이션의 데이터 이동 수요를 이해하는 다음 단계는, 이 어플리케이션에서 데이터 스트리밍이 필요한 디바이스가 있는지 확인하는 것입니다. 일반적으로 이는 두 부분으로 검토됩니다. 첫째, 획득/생성 시간이 인스트루먼트의 온보드 버퍼 크기를 초과하는지 고려하고, 둘째, 어플리케이션이 특정 지연 시간 요건을 갖는 인스트루먼트 간 스트리밍 데이터를 필요로 하는지 확인합니다.

​필요한 버퍼 크기를 계산하려면, 가장 긴 지속 시간의 획득 또는 생성이 얼마나 필요한지 확인하고 최대 데이터 전송률을 곱하여 데이터 스트림의 크기를 결정합니다. 그런 다음 이 데이터 스트림 크기를 디바이스의 온보드 버퍼 크기와 비교합니다. 예를 들어, PXIe-6569을 한 번에 10 ms의 짧은 세션에 사용한다고 가정하고, 위에서 계산한 전송률을 적용하면 출력 버퍼에 0.010 s × 5 GB/s = 50 MB, 입력 버퍼에 0.010 s × 4 GB/s = 40 MB가 필요합니다. 총 90 MB입니다. PXIe-6569는 4 GB의 온보드 DRAM을 갖추고 있으므로, 이러한 전송률과 채널 수 및 10 ms 지속 시간 조건에서는 PCI Express 버스 대역폭을 걱정할 필요 없이 온보드 메모리가 버퍼 역할을 하기에 충분한 크기입니다. 기본적으로 출력 데이터는 해당 디바이스의 FPGA에 미리 로드되거나 생성되며, 획득이 완료된 후 온보드 버퍼를 오버런하지 않으면서 입력 데이터를 디바이스에서 전송할 수 있습니다. 즉, 백플레인은 쓰기 데이터의 경우 미리, 읽기 데이터의 경우 나중에 데이터를 이동할 수 있으므로 인스트루먼트만큼 빠를 필요가 없습니다. 그러나 획득/생성 지속 시간이 온보드 버퍼 용량을 초과하면, 백플레인이 인스트루먼트의 속도를 따라잡을 수 있도록 데이터를 스트리밍해야 함을 의미합니다. 

​앞서 설명한 대로 지연 시간도 고려해야 합니다. 어플리케이션이 특정 지연 시간 요건을 갖고 호스트나 다른 인스트루먼트로 데이터를 전송해야 할 필요가 있습니까? 지연 시간 요건이 있다면, 호스트와 인스트루먼트 간에 리얼타임 데이터 스트리밍이 필요할 가능성이 높습니다. 이는 스트리밍 대역폭에 대한 걱정이 없을 만큼 충분한 버퍼 용량이 있더라도 백플레인의 대역폭이 인스트루먼트의 속도를 따라야 하는 이유가 됩니다.

​이 예제를 위해 설계를 검토하여 어떤 인스트루먼트가 실시간으로 백플레인을 가로지르는 스트리밍에 의존하는지 파악했다고 가정하겠습니다. 

 

​표 5: 혼합 신호 및 DAQ PXI 모듈의 스트리밍 요구사항

​또한 이러한 데이터 스트림이 서로 동시에 발생하는지 파악해야 합니다. 이 예제에서는 동시에 작동해야 한다고 가정하겠습니다. 

​이제 섀시 선택에 필요한 요구사항을 충분히 도출할 수 있습니다. 적어도 2.9 GB/s 입력과 2.5 GB/s 출력을 동시에 지원하는 섀시가 필요합니다. 입력과 출력은 버스 사용 측면에서 상당히 독립적이므로 (버스 오버헤드에 약간의 차이는 있으나 이 예제에서는 무시), 보다 까다로운 2.9 GB/s 입력 속도를 기준으로 요구사항을 설정할 수 있습니다. 즉, 최대 슬롯 및 시스템 대역폭이 이 속도의 2~3배 (약 6–9 GB/s)인 섀시를 사용하는 것이 이상적입니다. 따라서 슬롯 연결이 Gen 3 x8 (8 GB/s)인 섀시를 찾게 됩니다. 이 기준에 따라 후보를 PXIe-1085, PXIe-1092, PXIe-1095 섀시로 좁힐 수 있습니다.  

​본 어플리케이션에는 계측을 위한 슬롯 10개가 필요하므로, 인스트루먼트 슬롯이 8개뿐인 PXIe-1092는 제외됩니다. 따라서 PXIe-1085와 PXIe-1095 중 선택하게 됩니다.

​만약 어플리케이션이 PXIe-6593으로부터 이 속도로의 스트리밍을 필요로 하지 않는다면, 적합한 섀시 목록에 PXIe-1084 또는 PXIe-1086을 추가로 고려할 수 있습니다. 이들은 PXIe-6396의 336 MB/s에는 충분합니다. 

​대신 시스템에 본 예시의 PXIe-6593 1개가 아닌 3개와 같은 추가 동시 스트리밍 요구사항이 있다면, 각 모듈은 슬롯당 PCIe Gen 3 x8 범위 내에 개별적으로는 적합하지만 합산하면 세그먼트에서 컨트롤러로의 Gen 3 x8 링크 용량을 초과하게 됩니다. 이 경우 이러한 데이터 스트림 집약형 모듈을 여러 세그먼트에 분산 배치하고, 시스템 컨트롤러에 충분한 총 대역폭을 확보하는 방안을 고려해야 합니다. 그렇게 되면 PXIe-1085 또는 PXIe-1095 섀시가 필요하며, 시스템 컨트롤러에 Gen 3 x8 링크로 연결된 세그먼트에 PXIe-6593 한 개를 배치하고, 나머지 두 개는 시스템 컨트롤러에 Gen 3 x16 링크로 연결된 세그먼트에 배치하게 됩니다.

DAQ 예제

​다른 사례로, NI PXIe-6357을 중심으로 한 HIL(Hardware-In-the-Loop) 중심 DAQ 시스템을 살펴보겠습니다. 이 예제에서는 2,000 채널의 아날로그 입력, 10 채널의 아날로그 출력, 120 채널의 정적 디지털 입력 및 80 채널의 디지털 출력이 필요합니다. 또한 어플리케이션이 약 1 ms의 루프 주기로 실행됩니다. 따라서 1,000 Hz로 샘플링할 것입니다.

 

​표 6: HIL 중심의 DAQ 시스템 채널 수 및 데이터 속도

​이 예제 시스템은 채널 수는 많지만 대규모 데이터 처리량이 필요하지는 않습니다. 모든 입력을 합산한 총량은 4.15 MB/s이며, 모든 출력은 0.12 MB/s에 불과합니다. 이는 모든 NI PXIe 섀시에서 수행 가능한 낮은 처리량 수준입니다. 

​그러나 2,000 채널의 아날로그 입력이 필요하여 PXIe-6357을 사용하려면, 최소 10개의 PXIe-6357 유닛이 필요하므로 계측용 슬롯이 적어도 10개 이상인 섀시가 필요하게 됩니다.

​이 요구사항을 바탕으로 PXIe-1081, PXIe-1084, PXIe-1085, PXIe-1086, PXIe-1095 섀시 중에서 선택할 수 있으며, 이 중 어떤 모델을 사용하더라도 어플리케이션의 데이터 이동 요구사항을 충족시킬 수 있을 것이라고 확신할 수 있습니다.

결론

섀시 선택은 모듈형 테스트 시스템 설계의 핵심 요소입니다. PXI의 경우 이는 크기, 슬롯당 사용 가능한 전력, 타이밍 및 동기화 기능, PXI 하이브리드 모듈 지원, 작동 조건, 데이터 이동 성능에 이르기까지 모든 측면에 영향을 미칠 수 있습니다. PXI 기반 테스트 시스템에서 신뢰할 수 있는 성능을 달성하려면 섀시 내에서의 데이터 이동 효율성이 필수적입니다. 

데이터 이동에 적합한 PXI Express 섀시를 선택하려면 시스템의 개별 모듈과 전체 시스템 처리량을 모두 고려해야 합니다. 엔지니어는 슬롯당 대역폭 요구사항을 평가하고, 세그먼트 구성을 이해하며, 동시에 작동할 모든 인스트루먼트를 지원할 충분한 시스템 대역폭을 확보해야 합니다. 또한 섀시의 성능과 일치하는 PXI Express 컨트롤러를 선택하는 것도 동등하게 중요합니다.

데이터 이동 병목 현상을 방지하기 위해 NI는 PXI Express 세그먼트 간 부하 분산, 인스트루먼트 간 직접 통신을 위한 피어-투-피어 (P2P) 스트리밍 활용, 호스트의 데이터 처리 부담을 줄이는 온보드 또는 FPGA 기반 처리 도입 등 여러 전략을 제공합니다.

적절히 계획되었을 때, NI의 모듈형 플랫폼을 기반으로 구축된 PXI 시스템은 확장성 높은 고처리량 테스트 애플리케이션을 위한 견고한 기반을 마련합니다. 

다음 단계

어플리케이션에 적합한 NI PXI 섀시를 선택하려면:

  • 최대 시스템 대역폭으로 필터링하려면 PXI 섀시 구입하기 페이지를 참조하십시오.
  • 전체 PXI 섀시 포트폴리오의 비교를 보려면 PXI 섀시 브로슈어를 다운로드하십시오.
  • 섀시 모델을 이미 알고 있는 경우, 해당 제품 페이지를 참조하십시오.
  • 자세한 백플레인 다이어그램과 대역폭 스펙은 섀시 모델의 사용자 매뉴얼을 참조하십시오. 모델의 주요 제품 페이지 > 문서 > 일반 및 사용법 > 사용자 매뉴얼 > 백플레인 개요 > 하이브리드 주변 슬롯을 참조하십시오.

NI PXI Express 섀시, 컨트롤러, 모듈의 포괄적인 포트폴리오와 전문 기술 지원을 통해 현재의 요구 사항과 향후의 확장을 충족하는 시스템을 설계할 수 있습니다. NI의 리소스를 탐색하거나 NI 엔지니어에게 연락하여 시작하십시오.

 
PCI Express 세대레인당 속도레인 폭슬롯당 최대 대역폭
Gen 1250 MB/sx1 ~ x4최대 1 GB/s
Gen 2500 MB/sx1 ~ x8최대 4 GB/s
Gen 31 GB/sx1 ~ x8최대 8 GB/s
PXI 모듈 타입일반적인 데이터 전송률 (모듈당)
데이터 수집 (DAQ) 디바이스0.1 ~ 250 MB/s
DMM< 0.1 MB/s
SMU1 ~ 30 MB/s
웨이브폼 생성기/오실로스코프250 MB/s ~ 5 GB/s
고속 DIO 및 고속 시리얼100 MB ~ 10 GB/s
RF5 ~ 20 GB/s
​모델​총 슬롯​시스템 대역폭​PCI Express 세그먼트​컨트롤러 연결 속도​세그먼트당 슬롯 범위​슬롯 연결 속도
NI PXIe-1071​4​3 GB/s​1​슬롯당 Gen x4 ​세그먼트 없음​Gen 1 x4
NI PXIe-1073​5​250 MB/s​1​Gen 1 x1 (MXI-Express)​세그먼트 1: 슬롯 2–5​Gen 1 x1
NI PXIe-1081​18​2 GB/s​2​세그먼트당 Gen 1 x4

​세그먼트 1: 슬롯 2–9;

세그먼트 2: 슬롯 10–18

​Gen 1 x1
NI PXIe-1083​5​2 GB/s​1​Thunderbolt™ 3-Gen 2 x4​세그먼트 1: 슬롯 2–5​Gen 2 x1
NI PXIe-1084​18​4 GB/s​2​세그먼트당 Gen 2 x4

​세그먼트 1: 슬롯 2–9;

세그먼트 2: 슬롯 10–18

​Gen 2 x1
NI PXIe-1085​18​24 GB/s​2

​Gen 3 x8

Gen 3 x16

​세그먼트 1: 슬롯 2–10;

세그먼트 2: 슬롯 11–18

​Gen 3 x8
NI PXIe-1086​18​12 GB/s​2

​Gen 2 x8

​Gen 2 x16

​세그먼트 1: 슬롯 2–9;

세그먼트 2: 슬롯 10–18

​Gen 2 x8
NI PXIe-1088​9​8 GB/s​4​Gen 2 x4

​슬롯당 Gen 2 x4: 슬롯 4, 6, 8

공유 Gen 2 x4: 슬롯 2, 3, 5, 7, 9

​Gen 2 x4

Gen 2 x1

NI PXIe-1090​2​2 GB/s​1​Thunderbolt 3-Gen 2 x4​세그먼트 1: 슬롯 1–2​Gen 3 x1
NI PXIe-1092​9​24 GB/s​2

​Gen 3 x8

Gen 3 x16

​세그먼트 1: 슬롯 2–4;

세그먼트 2: 슬롯 5–9

​Gen 3 x8
NI PXIe-1095​18​24 GB/s​2

​Gen 3 x8

Gen 3 x16

​세그먼트 1: 슬롯 2–10;

세그먼트 2: 슬롯 11–18

​Gen 3 x8

 

모델기능사용 채널 수​채널당 데이터 폭​어플리케이션의 최대 I/O 속도​최대 데이터 속도 (계산값)​내장 버퍼 크기
NI PXIe-6569​LVDS​40 출력​1비트​1 GS/s​5 GB/s 출력​4 GB
NI PXIe-6569​LVDS​32 입력​1비트​1 GS/s​4 GB/s 입력​4 GB
NI PXIe-6593​HSS

​2 레인 입력

​2 레인 출력

​1비트​10 Gbps

2.5 GB/s 입력

​2.5 GB/s 출력

​4 GB
NI PXIe-6396​DAQ​8 입력​32비트​14 MS/s​336 MB/s 입력​8196개 샘플
NI PXIe-5423​AWG​2​16비트​400 MS/s​1.6 GB/s 출력​64 MSa
NI PXIe-5163​스코프​2​14비트​1 GS/s​4 GB/s 입력​512 MB
NI PXIe-5172​스코프​8​14비트​250 MS/s​4 GB/s 입력​1.5 GB
NI PXIe-4082​DMM​1​24비트​20 kS/s​60 kS/s 입력​—
NI PXI-2594​Mux/스위치​n/a​n/a​무시할 수준​무시할 수준​—
NI PXI-2576​Mux/스위치​n/a​n/a​무시할 수준​무시할 수준​—
 
​모델​기능​최대 데이터 속도​스트리밍 필요?
PXIe-6569​LVDS​5 GB/s 출력​아니요
PXIe-6569​LVDS​4 GB/s 입력​아니요
PXIe-6593​고속 시리얼

​2.5 GB/s 입력

​2.5 GB/s 출력

​예
PXIe-6396​DAQ​336 MB/s 입력​예
PXIe-5423​웨이브폼 생성기​1.6 GB/s 출력​아니요
PXIe-5163​오실로스코프​4 GB/s 입력​아니요
PXIe-5172​오실로스코프​4 GB/s 입력​아니요
PXIe-4082​DMM60 kS/s 입력​아니요
PXI-2594​멀티플렉서/스위치​무시할 수준​아니요
PXI-2576​멀티플렉서/스위치​무시할 수준 ​아니요
 
​모델​기능​채널 수​채널당 데이터 폭​어플리케이션의 최대 I/O 속도​최대 데이터 속도

 

 

PXIe-6357

 

 

​아날로그 입력

​아날로그 출력

​디지털 입력

​디지털 출력

​2000

​10

​120

​80

​16비트

​16비트

​1비트

​1비트

​1,000 S/s

​1,000 S/s

​1,000 S/s

​1,000 S/s

​4 MB/s 입력

​0.02 MB/s 출력

​0.15 MB/s 입력

​0.10 MB/s 출력