Instrument Innovations for mmWave Test

Overview

Implementing a validation or production test strategy for new wireless standards is difficult. It is made even harder by the constant increase in complexity in new wireless standards and technologies like 5G New Radio (NR). This includes wider and more complex waveforms, an exponential increase in test points, and restrictive link budgets that require technologies like beamforming and phased-array antennas. To help you address these challenges, NI introduced the PXIe-5831 millimeter wave (mmWave) vector signal transceiver (VST), which delivers high-speed, high-quality measurements in an architecture that can adapt to the needs of the device under test (DUT) even as those needs are changing. This PXI Vector Signal Transceiver (VST) shortens the time you need to bring up new test assets by simplifying complex measurement requirements and the instrumentation you need to test them.

Contents

An Extension of the VST Architecture

PXI Vector Signal Transceiver (VST) core block diagram with mmWave extension
Figure 1. PXI Vector Signal Transceiver (VST) core block diagram with mmWave extension

At its core, the VST combines a high-bandwidth vector signal generator, vector signal analyzer, high-speed digital interface, and a user-programmable FPGA onto a single PXI instrument. The mmWave VST (PXIe-5831) extends the VST architecture with innovations focused on addressing the increasing complexity—and uncertainty—of wireless standards, protocols, and technologies.

mmWave radio heads with integrated switching

mmWave heads
Figure 2. mmWave radio heads with integrated switching

Frequency conversion to and from mmWave is performed in a radio head that is cabled to the PXI-based IF subsystem, extending frequency coverage up to 44 GHz for the PXIe-5831 mmWave VST. Each mmWave VST IF subsystem can support up to two radio heads, which come in three configurations—2-, 9-, and 16-port—to adapt to the needs of the DUT. The additional ports are created with a switch network that is integrated in the calibration routines of the instrument, so performance specifications are accurate all the way to the test ports. The following is an example test configuration that shows how the mmWave radio heads can map to potentially high-port requirements for a multiband TX/TX RF front-end module:


Figure 3. Example test configuration mapping with mmWave radio heads

Performing the final conversion stage in a remote head provides additional flexibility in the physical configuration of a tester or test cell as well. You can position the radio heads nearer to the DUTs and alleviate long high-frequency cable runs and the associated losses in power and signal quality. Losses at intermediate frequencies (IFs) can be significantly less than those at mmWave, so shifting power delivery requirements to the lower frequencies means more power where it matters: at the mmWave test ports. Consider the following example comparing a three-meter cable run for a +23 dBm instrument versus a one-meter IF and two-meter mmWave cable run for a +17 dBm instrument like the mmWave VST:

Multiband coverage with IF and mmWave test ports

Multi-band coverage with IF and mmWave test ports.
Figure 4. Multiband coverage with IF and mmWave test ports

mmWave RFICs extend the RF signal chains of today’s designs with additional steps for frequency conversion, beamforming, and phased-array radiation. An ideal test approach needs to be able to map to these test points with enough flexibility to adapt as designs and requirements evolve while being able to scale in speed and cost to meet volume demands.

To provide the flexibility to adapt to the varying requirements of each step in the signal chain, the mmWave VST features bidirectional test ports for both intermediate and mmWave frequencies. Bidirectional test ports eliminate the need for additional signal conditioning and switching outside the instrument and further improve measurement quality while reducing overall system complexity.

mmWave VST Ports overview
Figure 5. mmWave VST features bidirectional test ports for both intermediate and mmWave frequencies.

The mmWave VST includes two IF test ports that can be used independently or in conjunction with the mmWave radio heads. These ports provide frequency coverage up to 21 GHz and offer a direct interface for multifrequency devices like frequency up/downconverters or beamformer ICs with built-in frequency conversion. These ports mean the mmWave VST can directly interface with multiband devices without additional instrumentation or external signal conditioning.

High Performance for Design Characterization

 

1 GHz of instantaneous bandwidth

 

From next-generation wireless technologies like 5G and 802.11ax to advanced aerospace and defense applications like radar test and spectrum monitoring, the demand for wider signal bandwidth to achieve higher peak data rates is growing. Leveraging fast sampling, high-linearity digital-to-analog converters (DACs) and analog-to-digital converters (ADCs), and wideband internal calibration mechanisms, the mmWave VST offers 1 GHz of instantaneous RF bandwidth with excellent measurement accuracy.

The mmWave VST offers 1 GHz of instantaneous RF bandwidth with excellent measurement accuracy.
Figure 6. The mmWave VST offers 1 GHz of instantaneous RF bandwidth with excellent measurement accuracy.

With the high instantaneous bandwidth and calibrated front ends of NI VSTs, you can effectively deploy them for demanding applications such as radar target simulation, multicarrier aggregation, digital predistortion (DPD) algorithm implementations, 5G prototyping, and real-time spectrum analysis. Additionally, mmWave VSTs incorporate patented algorithms for amplitude and phase correction for high absolute amplitude accuracy and low deviation from linear phase across the span of their wide instantaneous bandwidth. 

Error vector magnitude measurement performance
 

The VST uses advanced, patented IQ calibration techniques to deliver best-in-class error vector magnitude (EVM) performance for wideband signals. A critical component of next-generation wireless devices is even more stringent EVM performance requirements over increasing bandwidths. With higher order modulation schemes and wideband multicarrier signal configurations, the RF front ends of today’s wireless devices require better linearity and phase noise to deliver the required modulation performance. Consequently, test instrumentation for wireless device test must deliver even more accurate RF performance.

If you have demanding EVM performance requirements, the modular design of PXI instruments provides you with the ability to improve on the VST’s native performance even further. Using the PXI external local oscillator (LO), you can achieve EVM performance better than -40 dB with your systems based on the mmWave VST.

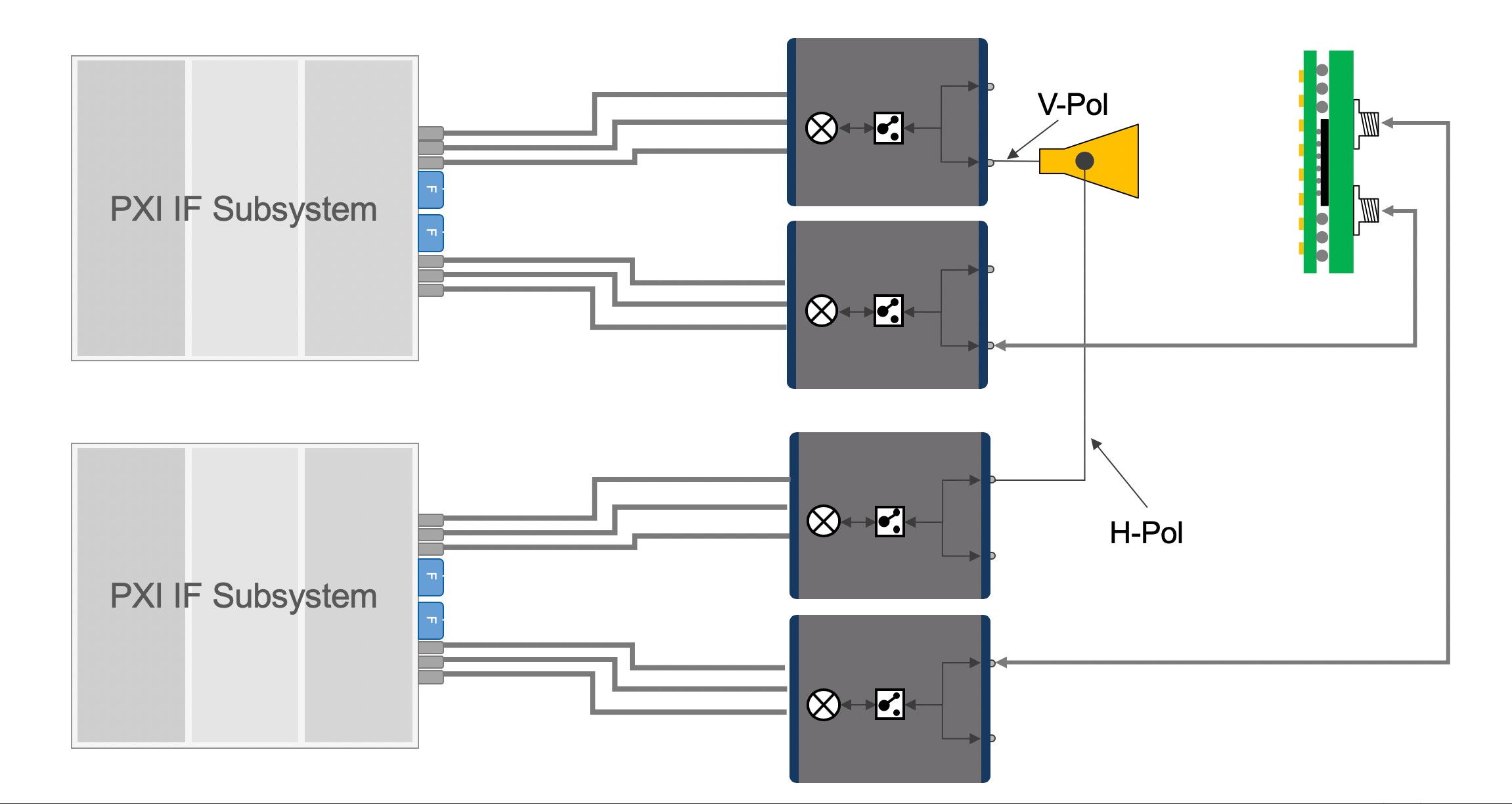
Phase-coherent synchronization

 

The modular mmWave VST architecture and the PXI platform together provide synchronization and scaling capabilities for multichannel measurements that require phase coherence. You can achieve nanosecond synchronization between two mmWave VSTs out of the box for applications like dual polarization antenna over-the-air test:

Dual polarization antenna over-the-air test.
Figure 7. Dual polarization antenna over-the-air test

You can extend the same level of synchronization to multiple input, multiple output (MIMO) test systems. The modern communications standards, such as 802.11ax, LTE Advanced Pro, and 5G, are using MIMO schemes for many antennas on a single device to provide a combination of either higher data rates through more spatial streams or more robust communications through beamforming. Not surprisingly, MIMO technology adds significant design and test complexity. It not only increases the number of ports on a device but also introduces multichannel synchronization requirements. With the compact footprint of the PXI mmWave VST, you can synchronize up to three PXIe-5831 VSTs in a single 18-slot PXI chassis. You can further expand your systems using MXI to integrate additional chassis as one PXI system.

Engineers can synchronize PXIe-5831s in a single 18-slot PXI chassis.
Figure 8. Engineers can synchronize PXIe-5831s in a single 18-slot PXI chassis.

Like a single instrument, you can synchronize each VST in a completely phase-coherent manner. In hardware, a VST can import or export the LO so that all modules can share a common LO. In software, you can use NI’s patented T-Clock (T-Clk) technology to easily synchronize multiple instruments using the NI T-Clk API.

Speed and Scalability for Production Test


In production test environments especially, device throughput and test time directly impact business success. The mmWave VST’s architecture of hardware and software is optimized for measurement speed without sacrificing measurement performance.

Multi-instrument integration with the PXI platform

 

The mmWave VST shares the same foundational resources with any PXI instrument from NI to streamline test program creation, simplify triggering and synchronization, and maximize measurement speed.
Figure 9. Multi-instrument integration with the PXI platform

Most RF test applications require additional I/O beyond RF or baseband waveform generation and analysis. This may include a power supply or source measure unit (SMU), a pattern-based digital device for control, or a digital multimeter (DMM). As part of the PXI platform, the mmWave VST shares the same foundational resources with any PXI instrument from NI to streamline test program creation, simplify triggering and synchronization, and maximize measurement speed. You can use the same T-Clock technology that you use to synchronize multiple VSTs to synchronize other instruments and create a unified automated test and automated measurement solution.

Native, speed-optimized driver for common test development languages
 

The mmWave VST is configured and controlled by RFmx application software. RFmx provides an intuitive programming API that offers both ease of use and advanced measurement configuration for generic RF and standard-specific measurements. It features a highly optimized API to perform tasks ranging from RF spectral measurements, including channel power, adjacent channel power, and power spectrum, to measurements on digital and analog modulated signals. You can also use it to automate your programs with standard-based measurements for 5G NR, LTE Advanced Pro, Wi-Fi 6, Bluetooth, and more.

5G NR measurements performed using NI RFmx in LabVIEW and .NET.
Figure 10. 5G NR measurements performed using NI RFmx in LabVIEW and .NET

The image above illustrates a 5G NR compliant channel power measurement using an RFmx LabVIEW and .NET example with just a few function calls. You can get started with one of more than 100 example programs in C, .NET, and LabVIEW that are designed to make instrument automation straightforward. The NI-RFmx API includes high-level parameters that intelligently optimize instrument settings to help you achieve the highest quality measurements with the fewest software calls. Additionally, NI-RFmx has features that vastly simplify the software complexity of multimeasurement parallelism and multi-DUT measurements. You can achieve industry-leading measurement speeds using the latest processor technologies and easy-to-program multithreaded measurements for test time reduction.

mmWave VST
Figure 11. The VST combines a high-bandwidth vector signal generator, vector signal analyzer, high-speed digital interface, and a user-programmable FPGA onto a single PXI instrument.
The mmWave VST (PXIe-5831) extends the VST architecture with innovations focused on addressing the increasing complexity—and uncertainty—of wireless standards, protocols, and technologies.