FIR Structures
- Updated2025-10-10
- 3 minute(s) read
For an FIR filter, you can implement one of the following section types of FIR filter structures: basic FIR direct form, FIR direct form transposed, FIR symmetric, or FIR antisymmetric.
The transfer function of an FIR filter is defined as follows:
where
- z is a complex variable
- M is the filter order
- h is the set of filter coefficients
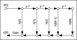
FIR Direct Form
For FIR filters, the FIR Direct Form structure is the most straightforward structure from a filter transfer function perspective. The number of delays equals the filter order. Refer to the Understanding Filter Structure Graphs section for information that helps you read and understand a filter structure graph. The following figure represents the FIR Direct Form structure:
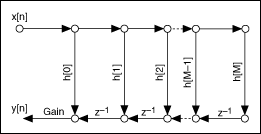
FIR Direct Form Transposed
The FIR Direct Form Transposed structure is the alternate direct form implementation for FIR filters. The following figure represents the FIR Direct Form Transposed structure:
Both direct form structures contain the same number of delays. However, in the FIR Direct Form structure, the word length of the delays equals that of the input signal x[n]. In the FIR Direct Form Transposed structure, the word length of the delays equals that of the accumulator. In most cases, the word length of the input signal is less than the word length of the accumulator. Therefore, the FIR Direct Form structure requires less memory for saving internal states than the transposed structure.
Both direct form structures also contain the same number of multipliers, which equals M+1. However, if you perform the multiplications in parallel and then perform summations on the multiplication products for both structures, the FIR Direct Form Transposed structure has better timing performance because the delays following the adders in this structure can store the summation results temporarily for performing the summations in parallel. However, the FIR Direct Form structure does not contain delays for the adders so the summations in this structure take more time. If you perform the multiplications and additions serially using a loop structure, the FIR Direct Form structure is more efficient because this structure requires less memory.
FIR Symmetric
Use the FIR Symmetric structures for symmetric linear phase FIR filters, which use the symmetry of the filter coefficients to reduce the number of multipliers from M+1 to M/2+1, when M is an even number, or (M+1)/2, when M is an odd number. The following figure represents the FIR Symmetric structure when the filter order is an even number:
The following figure represents the FIR Symmetric structure when the filter order is an odd number:
FIR Antisymmetric
Use the FIR Antisymmetric structure for antisymmetric linear phase FIR filters, which use the antisymmetry of the filter coefficients to reduce the number of multipliers from M+1 to M/2, when M is an even number, or (M+1)/2, when M is an odd number. The following figure represents the FIR Antisymmetric structure when the filter order is an even number:
The following figure represents the FIR Antisymmetric structure when the filter order is an odd number: