Filter Coefficients and Quantizers
- Updated2025-10-10
- 2 minute(s) read
The LabVIEW Digital Filter Design Toolkit uses quantizers to store different quantization settings for the coefficients and the intermediate operands and results. You must configure all quantizers correctly in a fixed-point filter implementation.
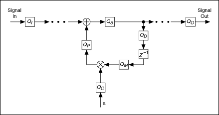
In a fixed-point filter implementation, you quantize the coefficients as well as the intermediate operands and results. The following figure shows an example of a fixed-point model of quantized coefficients, intermediate operands, and results:
This fixed-point model contains the following quantizers:
- QI is the input quantizer for the input signal of a fixed-point filter.
- QS is the sum quantizer for the summation of a fixed-point adder.
- QD is the delay quantizer for the input of a delay element.
- QM is the multiplicand quantizer for the multiplicand of a fixed-point multiplier, which multiplies a quantized multiplicand by a quantized coefficient.
- QC is the filter coefficients quantizer for the reference floating-point filter. Depending on the group type of the filter coefficients, QC can be coefficients a/k or coefficients b/v.
- QP is the product quantizer for the product of a fixed-point multiplier.
- QO is the output quantizer for the output signal of a fixed-point filter.
Each quantizer has a different effect on a fixed-point filter response depending on the filter structure. You must create a fixed-point filter model and simulate the behavior of the filter model through trial and error before you use the corresponding fixed-point filter. Although you can determine the effects of coefficient quantization at design time, you cannot determine other quantization effects until you filter the expected input signals. For example, the actual data might be too large or might lead to limit cycles.
When you configure the quantizers, depending on which VI you use, you might need to complete some or all of the following items:
- Specify the quantizer source.
- Specify the word length and integer word length.
- Handle overflows and underflows.
- Specify the rounding mode.